Nagy strapabírású, egyenes és íves pályán egyaránt használható
acélkerekes futómacska gyors és egyszerű szerelhetőséggel.
Jellemzők: beépített ütközők, menetes teherrúd,
duplasoros zárt csapágyazás
Megfelel a Gépek Direktíva 2006/42/CE előírásainak.
A Delta Green típusú haladóművek 0,5 t -20 t teherbírás tartományban készülnek.
Webáruházban 0,5 t - 5 t közötti modelleket értékesítünk.
Eltérő igényekkel keressen minket!
Méretek (mm) - teljes modellválaszték:


| típus | DRMT-05 | DRMT-1 | DRMT-2 | DRMT-3 | DRMT-5 |
|
gerendatalp szélesség min. - max. mm |
50-305 | 58-305 | 66-305 | 74-305 | 90-305 |
|
min. rádiusz m |
0,5 | 0,7 | 0,9 | 1,2 | 1 |
|
|
0,5 t |
1 t |
2 t |
3 t |
5 t |
|
kerék Ø (r) mm |
55 | 68 | 80 | 100 | 120 |
| a | 198 | 238 | 277 | 327 | 373 |
| b | 68 | 82 | 95 | 116 | 138 |
| c | 40 | 31 | 31 | 31 | 40 |
| d | 94 | 102 | 119 | 139 | 161 |
| e | 82 | 85 | 99 | 113 | 133 |
| g | 385 | 388 | 405 | 429 | 435 |
| h | 28 | 37 | 48 | 56 | 65 |
| j | 25 | 29 | 36 | 46 | 52 |
| k | 13 | 17 | 20 | 26 | 28 |
|
saját tömeg kg |
5,4 | 9,3 | 14,8 | 24,1 | 41,1 |
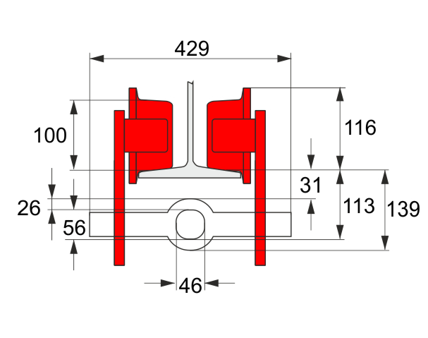
DRMT-3 típusú manuális haladőmú 3 t teherbírással.
Méretek (mm):


24,1 kg
74 mm
305 mm
100 mm
1,2 m